您好,欢迎访问上海捷威贸易有限公司官网!
您身边值得信赖的厂家提供创新品质的产品和超出客户期望的服务
021-38122189
021-38122687
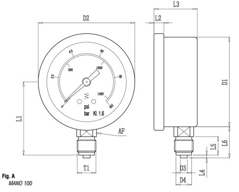
测压接头(压力表)
简要描述:测压接头(压力表)专为液压设备设计的压力表 标准:EN837-1 类型:低音软管压力表,容量盒直径63mm 等级/准度:等级1.6(例如整个F.S.范围的±1.6%) 公头按扣:C1
服务承诺:品质保证 按时发货
购买热线:86-021-38122189
产品介绍